Подшипник RIF-418 (NMB)

Подшипник RIF-418 (NMB)

Технические характеристики

Обозначение : RIF-418

Размеры, мм : 3.175x6.35x2.38

Производитель : NMB

Диаметр внутренний, мм : 3,175

Диаметр наружный, мм : 6,35

Высота, мм : 2,38

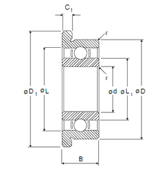
Технические данные из каталога производителя :

Внутренний диаметр (d) - 3,175 мм.

Наружный диаметр (D) - 6,35 мм.

Ширина (высота) (B) - 2,38 мм.

Ширина наружной обоймы (C) - 2,38 мм.

Размер (r min.) - 0,08 мм.

Размер (C1) - 0,58 мм.

Размер (D1) - 7,52 мм.

Размер (L) - 0,217

Размер (L1) - 0,161 мм.

Грузоподъемность динамическая (C) - 0,285 кН

Грузоподъемность статическая (C0) - 0,097 кН

Количество дорожек качения - 1

Уплотнение - Нет

Цены указаны ознакомительные, для уточнения цены и наличия просим связаться с нами по телефону, или отправить заявку на почту - sales@specprompodshipnik.ru или по тел.: +7(499) 369-70-54

Возврат к списку