Подшипник RI-5ZZ (NMB)

Подшипник RI-5ZZ (NMB)

Технические характеристики

Обозначение : RI-5ZZ

Размеры, мм : 2.38x7.938x3.571

Производитель : NMB

Диаметр внутренний, мм : 2,38

Диаметр наружный, мм : 7,938

Высота, мм : 3,571

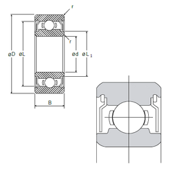
Технические данные из каталога производителя :

Внутренний диаметр (d) - 2,38 мм.

Наружный диаметр (D) - 7,938 мм.

Ширина (высота) (B) - 3,571 мм.

Ширина наружной обоймы (C) - 3,571 мм.

Размер (r min.) - 0,08 мм.

Размер (L) - 0,283

Размер (L1) - 0,173 мм.

Грузоподъемность динамическая (C) - 0,563 кН

Грузоподъемность статическая (C0) - 0,183 кН

Количество дорожек качения - 1

Уплотнение - Есть

Цены указаны ознакомительные, для уточнения цены и наличия просим связаться с нами по телефону, или отправить заявку на почту - sales@specprompodshipnik.ru или по тел.: +7(499) 369-70-54

Возврат к списку