Подшипник RI-1438SS (NMB)

Подшипник RI-1438SS (NMB)

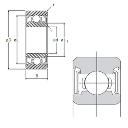
Технические характеристики

Обозначение : RI-1438SS

Размеры, мм : 9.525x22.225x7.142

Производитель : NMB

Диаметр внутренний, мм : 9,525

Диаметр наружный, мм : 22,225

Высота, мм : 7,142

Технические данные из каталога производителя :

Внутренний диаметр (d) - 9,525 мм.

Наружный диаметр (D) - 22,225 мм.

Ширина (высота) (B) - 7,142 мм.

Ширина наружной обоймы (C) - 7,142 мм.

Размер (r min.) - 0,41 мм.

Размер (L) - 0,752

Размер (L1) - 0,488 мм.

Грузоподъемность динамическая (C) - 3,297 кН

Грузоподъемность статическая (C0) - 1,368 кН

Количество дорожек качения - 1

Уплотнение - Есть

Цены указаны ознакомительные, для уточнения цены и наличия просим связаться с нами по телефону, или отправить заявку на почту - sales@specprompodshipnik.ru или по тел.: +7(499) 369-70-54

Возврат к списку