Подшипник RF-825ZZ (NMB)

Подшипник RF-825ZZ (NMB)

Технические характеристики

Обозначение : RF-825ZZ

Размеры, мм : 2.5x8x4

Производитель : NMB

Диаметр внутренний, мм : 2,5

Диаметр наружный, мм : 8

Высота, мм : 4

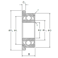
Технические данные из каталога производителя :

Внутренний диаметр (d) - 2,5 мм.

Наружный диаметр (D) - 8 мм.

Ширина (высота) (B) - 4 мм.

Ширина наружной обоймы (C) - 4 мм.

Размер (r min.) - 0,15 мм.

Размер (C1) - 0,9 мм.

Размер (D1) - 9,5 мм.

Размер (L) - 7,19

Размер (L1) - 4,1 мм.

Грузоподъемность динамическая (C) - 0,553 кН

Грузоподъемность статическая (C0) - 0,176 кН

Количество дорожек качения - 1

Уплотнение - Есть

Цены указаны ознакомительные, для уточнения цены и наличия просим связаться с нами по телефону, или отправить заявку на почту - sales@specprompodshipnik.ru или по тел.: +7(499) 369-70-54

Возврат к списку