Подшипник RF-615ZZ (NMB)

Подшипник RF-615ZZ (NMB)

Технические характеристики

Обозначение : RF-615ZZ

Размеры, мм : 1.5x6x3

Производитель : NMB

Диаметр внутренний, мм : 1,5

Диаметр наружный, мм : 6

Высота, мм : 3

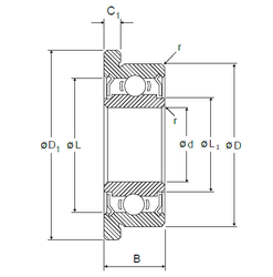
Технические данные из каталога производителя :

Внутренний диаметр (d) - 1,5 мм.

Наружный диаметр (D) - 6 мм.

Ширина (высота) (B) - 3 мм.

Ширина наружной обоймы (C) - 3 мм.

Размер (r min.) - 0,15 мм.

Размер (C1) - 0,8 мм.

Размер (D1) - 7,5 мм.

Размер (L) - 5,06

Размер (L1) - 2,9 мм.

Грузоподъемность динамическая (C) - 0,324 кН

Грузоподъемность статическая (C0) - 0,097 кН

Количество дорожек качения - 1

Уплотнение - Есть

Цены указаны ознакомительные, для уточнения цены и наличия просим связаться с нами по телефону, или отправить заявку на почту - sales@specprompodshipnik.ru или по тел.: +7(499) 369-70-54

Возврат к списку