Подшипник RF-1650 (NMB)

Подшипник RF-1650 (NMB)

Технические характеристики

Обозначение : RF-1650

Размеры, мм : 5x16x5

Производитель : NMB

Диаметр внутренний, мм : 5

Диаметр наружный, мм : 16

Высота, мм : 5

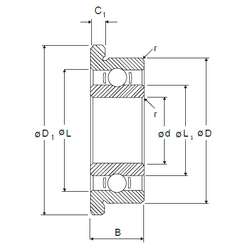
Технические данные из каталога производителя :

Внутренний диаметр (d) - 5 мм.

Наружный диаметр (D) - 16 мм.

Ширина (высота) (B) - 5 мм.

Ширина наружной обоймы (C) - 5 мм.

Размер (r min.) - 0,3 мм.

Размер (C1) - 1 мм.

Размер (D1) - 18 мм.

Размер (L) - 13,41

Размер (L1) - 7,8 мм.

Грузоподъемность динамическая (C) - 1,735 кН

Грузоподъемность статическая (C0) - 0,671 кН

Количество дорожек качения - 1

Уплотнение - Нет

Цены указаны ознакомительные, для уточнения цены и наличия просим связаться с нами по телефону, или отправить заявку на почту - sales@specprompodshipnik.ru или по тел.: +7(499) 369-70-54

Возврат к списку