Подшипник RB207-21 (KOYO)

Подшипник RB207-21 (KOYO)

Технические характеристики

Обозначение : RB207-21

Размеры, мм : 33.3375x72x42.9

Производитель : KOYO

Диаметр внутренний, мм : 33,3375

Диаметр наружный, мм : 72

Высота, мм : 42,9

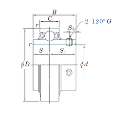
Технические данные из каталога производителя :

Внутренний диаметр (d) - 33,3375 мм.

Наружный диаметр (D) - 72 мм.

Ширина (высота) (B) - 42,9 мм.

Ширина наружной обоймы (C) - 24 мм.

Размер (S1) - 25,4

Размер (r min.) - 1,1 мм.

Размер (D2) - 78,4 мм.

Размер (S) - 17,5 мм.

Размер (S2) - 6,5

Резьба (G) - 5/16-24UNF

Масса - 0,65 Кг

Грузоподъемность динамическая (C) - 25,7 кН

Грузоподъемность статическая (C0) - 15,4 кН

Расчетный коэффициент (f0) - 13,9

Количество дорожек качения - 1

Уплотнение - Есть

Цены указаны ознакомительные, для уточнения цены и наличия просим связаться с нами по телефону, или отправить заявку на почту - sales@specprompodshipnik.ru или по тел.: +7(499) 369-70-54

Возврат к списку