Подшипник RB201-8 (KOYO)

Подшипник RB201-8 (KOYO)

Технические характеристики

Обозначение : RB201-8

Размеры, мм : 12.7x47x31

Производитель : KOYO

Диаметр внутренний, мм : 12,7

Диаметр наружный, мм : 47

Высота, мм : 31

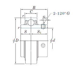
Технические данные из каталога производителя :

Внутренний диаметр (d) - 12,7 мм.

Наружный диаметр (D) - 47 мм.

Ширина (высота) (B) - 31 мм.

Ширина наружной обоймы (C) - 16 мм.

Размер (S1) - 18,3

Размер (r min.) - 0,6 мм.

Размер (D2) - 52,5 мм.

Размер (S) - 12,7 мм.

Размер (S2) - 5

Резьба (G) - 1/4-28UNF

Масса - 0,27 Кг

Грузоподъемность динамическая (C) - 12,8 кН

Грузоподъемность статическая (C0) - 6,65 кН

Расчетный коэффициент (f0) - 13,2

Количество дорожек качения - 1

Уплотнение - Есть

Цены указаны ознакомительные, для уточнения цены и наличия просим связаться с нами по телефону, или отправить заявку на почту - sales@specprompodshipnik.ru или по тел.: +7(499) 369-70-54

Возврат к списку