Подшипник RAL103NPPB (Timken)

Подшипник RAL103NPPB (Timken)

Технические характеристики

Обозначение : RAL103NPPB

Размеры, мм : 30.1625x55x18.27

Производитель : Timken

Диаметр внутренний, мм : 30,1625

Диаметр наружный, мм : 55

Высота, мм : 18,27

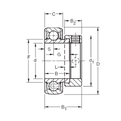
Технические данные из каталога производителя :

Внутренний диаметр (d) - 30,1625 мм.

Наружный диаметр (D) - 55 мм.

Ширина (высота) (B) - 18,27 мм.

Ширина наружной обоймы (C) - 13 мм.

Размер (d1) - 42,5 мм.

Размер (B1) - 26,2 мм.

Размер (B2) - 11,9 мм.

Размер (F) - 36,32 мм.

Размер (G) - 11,755 мм.

Размер (L) - 4

Размер (S) - 6,5 мм.

Масса - 0,13 Кг

Грузоподъемность динамическая (C) - 14,6 кН

Грузоподъемность статическая (C0) - 6,95 кН

Количество дорожек качения - 1

Уплотнение - Есть

Цены указаны ознакомительные, для уточнения цены и наличия просим связаться с нами по телефону, или отправить заявку на почту - sales@specprompodshipnik.ru или по тел.: +7(499) 369-70-54

Возврат к списку