Подшипник RAL013NPPB (Timken)

Подшипник RAL013NPPB (Timken)

Технические характеристики

Обозначение : RAL013NPPB

Размеры, мм : 20.6375x47x17.46

Производитель : Timken

Диаметр внутренний, мм : 20,6375

Диаметр наружный, мм : 47

Высота, мм : 17,46

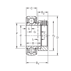
Технические данные из каталога производителя :

Внутренний диаметр (d) - 20,6375 мм.

Наружный диаметр (D) - 47 мм.

Ширина (высота) (B) - 17,46 мм.

Ширина наружной обоймы (C) - 12 мм.

Размер (d1) - 36,1 мм.

Размер (B1) - 25,4 мм.

Размер (B2) - 11,9 мм.

Размер (F) - 29,67 мм.

Размер (G) - 11,476 мм.

Размер (L) - 4

Размер (S) - 6 мм.

Масса - 0,11 Кг

Грузоподъемность динамическая (C) - 11 кН

Грузоподъемность статическая (C0) - 4,9 кН

Количество дорожек качения - 1

Уплотнение - Есть

Цены указаны ознакомительные, для уточнения цены и наличия просим связаться с нами по телефону, или отправить заявку на почту - sales@specprompodshipnik.ru или по тел.: +7(499) 369-70-54

Возврат к списку