Подшипник RAL009NPPB (Timken)

Подшипник RAL009NPPB (Timken)

Технические характеристики

Обозначение : RAL009NPPB

Размеры, мм : 14.2875x35x15.88

Производитель : Timken

Диаметр внутренний, мм : 14,2875

Диаметр наружный, мм : 35

Высота, мм : 15,88

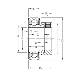
Технические данные из каталога производителя :

Внутренний диаметр (d) - 14,2875 мм.

Наружный диаметр (D) - 35 мм.

Ширина (высота) (B) - 15,88 мм.

Ширина наружной обоймы (C) - 11 мм.

Размер (d1) - 25,4 мм.

Размер (B1) - 23,8 мм.

Размер (B2) - 11,1 мм.

Размер (F) - 20,07 мм.

Размер (G) - 10,373 мм.

Размер (L) - 4

Размер (S) - 5,502 мм.

Масса - 0,06 Кг

Грузоподъемность динамическая (C) - 7,5 кН

Грузоподъемность статическая (C0) - 3 кН

Количество дорожек качения - 1

Уплотнение - Есть

Цены указаны ознакомительные, для уточнения цены и наличия просим связаться с нами по телефону, или отправить заявку на почту - sales@specprompodshipnik.ru или по тел.: +7(499) 369-70-54

Возврат к списку