Подшипник RAE40-NPPB (NKE)

Подшипник RAE40-NPPB (NKE)

Технические характеристики

Обозначение : RAE40-NPPB

Размеры, мм : 40x80x30.2

Производитель : NKE

Диаметр внутренний, мм : 40

Диаметр наружный, мм : 80

Высота, мм : 30,2

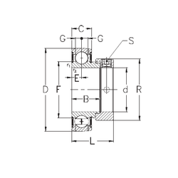
Технические данные из каталога производителя :

Внутренний диаметр (d) - 40 мм.

Наружный диаметр (D) - 80 мм.

Ширина (высота) (B) - 30,2 мм.

Ширина наружной обоймы (C) - 21 мм.

Размер (E) - 11 мм.

Размер (F) - 49,4 мм.

Размер (L) - 43,7

Размер (R) - 58 мм.

Размер (S) - 5 мм.

Масса - 0,62 Кг

Грузоподъемность динамическая (C) - 29,5 кН

Грузоподъемность статическая (C0) - 18,2 кН

Количество дорожек качения - 1

Уплотнение - Есть

Цены указаны ознакомительные, для уточнения цены и наличия просим связаться с нами по телефону, или отправить заявку на почту - sales@specprompodshipnik.ru или по тел.: +7(499) 369-70-54

Возврат к списку