Подшипник RAE35-NPPB (NKE)

Подшипник RAE35-NPPB (NKE)

Технические характеристики

Обозначение : RAE35-NPPB

Размеры, мм : 35x72x25.4

Производитель : NKE

Диаметр внутренний, мм : 35

Диаметр наружный, мм : 72

Высота, мм : 25,4

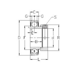
Технические данные из каталога производителя :

Внутренний диаметр (d) - 35 мм.

Наружный диаметр (D) - 72 мм.

Ширина (высота) (B) - 25,4 мм.

Ширина наружной обоймы (C) - 19 мм.

Размер (E) - 9,5 мм.

Размер (F) - 44,6 мм.

Размер (L) - 38,9

Размер (R) - 51 мм.

Размер (S) - 5 мм.

Масса - 0,48 Кг

Грузоподъемность динамическая (C) - 25,7 кН

Грузоподъемность статическая (C0) - 15,3 кН

Количество дорожек качения - 1

Уплотнение - Есть

Цены указаны ознакомительные, для уточнения цены и наличия просим связаться с нами по телефону, или отправить заявку на почту - sales@specprompodshipnik.ru или по тел.: +7(499) 369-70-54

Возврат к списку