Подшипник RAE25-NPPB (NKE)

Подшипник RAE25-NPPB (NKE)

Технические характеристики

Обозначение : RAE25-NPPB

Размеры, мм : 25x52x21.4

Производитель : NKE

Диаметр внутренний, мм : 25

Диаметр наружный, мм : 52

Высота, мм : 21,4

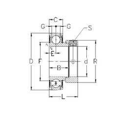
Технические данные из каталога производителя :

Внутренний диаметр (d) - 25 мм.

Наружный диаметр (D) - 52 мм.

Ширина (высота) (B) - 21,4 мм.

Ширина наружной обоймы (C) - 15 мм.

Размер (E) - 7,5 мм.

Размер (F) - 30,5 мм.

Размер (L) - 31

Размер (R) - 37,5 мм.

Размер (S) - 3 мм.

Масса - 0,19 Кг

Грузоподъемность динамическая (C) - 14 кН

Грузоподъемность статическая (C0) - 7,9 кН

Количество дорожек качения - 1

Уплотнение - Есть

Цены указаны ознакомительные, для уточнения цены и наличия просим связаться с нами по телефону, или отправить заявку на почту - sales@specprompodshipnik.ru или по тел.: +7(499) 369-70-54

Возврат к списку