Подшипник RA2-6ZA (NTN)

Подшипник RA2-6ZA (NTN)

Технические характеристики

Обозначение : RA2-6ZA

Размеры, мм : 3.175x9.525x3.571

Производитель : NTN

Диаметр внутренний, мм : 3,175

Диаметр наружный, мм : 9,525

Высота, мм : 3,571

Технические данные из каталога производителя :

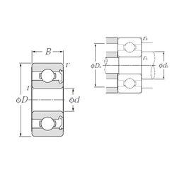
Внутренний диаметр (d) - 3,175 мм.

Наружный диаметр (D) - 9,525 мм.

Ширина (высота) (B) - 3,571 мм.

Ширина наружной обоймы (C) - 3,571 мм.

Размер (r min.) - 0,13 мм.

Размер сопряженных деталей (da min.) - 4

Размер сопряженных деталей (da max) - 5,2

Размер сопряженных деталей (Da max.) - 8,7

Размер сопряженных деталей (ra max.) - 0,1

Масса - 0,96 Кг

Грузоподъемность динамическая (C) - 0,64 кН

Грузоподъемность статическая (C0) - 0,224 кН

Частота вращения предельная при пластичной смазке - 49000 об/мин

Частота вращения предельная при жидкой смазке - 58000 об/мин

Расчетный коэффициент (f0) - 12,7

Количество дорожек качения - 1

Уплотнение - Есть

Цены указаны ознакомительные, для уточнения цены и наличия просим связаться с нами по телефону, или отправить заявку на почту - sales@specprompodshipnik.ru или по тел.: +7(499) 369-70-54

Возврат к списку