Подшипник R6ZZ (NTN)

Подшипник R6ZZ (NTN)

Технические характеристики

Обозначение : R6ZZ

Размеры, мм : 9.525x22.225x7.142

Производитель : NTN

Диаметр внутренний, мм : 9,525

Диаметр наружный, мм : 22,225

Высота, мм : 7,142

Технические данные из каталога производителя :

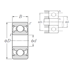
Внутренний диаметр (d) - 9,525 мм.

Наружный диаметр (D) - 22,225 мм.

Ширина (высота) (B) - 7,142 мм.

Ширина наружной обоймы (C) - 7,142 мм.

Размер (r min.) - 0,41 мм.

Размер сопряженных деталей (da min.) - 11,5

Размер сопряженных деталей (da max) - 11,9

Размер сопряженных деталей (Da max.) - 20,2

Размер сопряженных деталей (ra max.) - 0,4

Масса - 15 Кг

Грузоподъемность динамическая (C) - 3,3 кН

Грузоподъемность статическая (C0) - 1,4 кН

Частота вращения предельная при пластичной смазке - 31000 об/мин

Расчетный коэффициент (f0) - 12,7

Количество дорожек качения - 1

Уплотнение - Есть

Цены указаны ознакомительные, для уточнения цены и наличия просим связаться с нами по телефону, или отправить заявку на почту - sales@specprompodshipnik.ru или по тел.: +7(499) 369-70-54

Возврат к списку