Подшипник R4A-2RS (AST)

Подшипник R4A-2RS (AST)

Технические характеристики

Обозначение : R4A-2RS

Размеры, мм : 6.35x19.05x7.14248

Производитель : AST

Диаметр внутренний, мм : 6,35

Диаметр наружный, мм : 19,05

Высота, мм : 7,14248

Технические данные из каталога производителя :

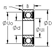
(размеры в дюймах)

Bearing Type - Sealed

Bore Dia (d) - 0.2500

Outer Dia (D) - 0.7500

Width (B) - 0.2812

Radius (min) (rs) - 0.016

Dynamic Load Rating (Cr) - 525

Static Load Rating (Cor) - 190

Max Speed (Grease) (X1000 RPM) - 36

Max Speed (Oil) (X1000 RPM) - 43

Max. Shaft Shoulder Dia. Inner (Ui) - 0.3

Min. Housing Shoulder Dia., Outer (Uo) - 0.650

Ball Qty - 6

Ball Dia (Dw) - 0.1378

Weight (g) - 10.00

Precision - A1

Standard Clearance - K25

Material - 52100 Chrome steel (or equivalent)

Also available in Stainless Steel, add prefix "S"

ABEC Grades 1, 3, 5, 7, and 9 are available.

Two rubber seals = (2RS),also available with a single rubber seal = (RS).

Also available with two light contact rubber seals = (2RU),or with a single light contact rubber seal = (RU)

Цены указаны ознакомительные, для уточнения цены и наличия просим связаться с нами по телефону, или отправить заявку на почту - sales@specprompodshipnik.ru или по тел.: +7(499) 369-70-54

Возврат к списку