Подшипник R24 (AST)

Подшипник R24 (AST)

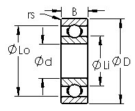
Технические характеристики

Обозначение : R24

Размеры, мм : 38.1x66.675x11.1125

Производитель : AST

Диаметр внутренний, мм : 38,1

Диаметр наружный, мм : 66,675

Высота, мм : 11,1125

Технические данные из каталога производителя :

(размеры в дюймах)

Bearing Type - Open

Bore Dia (d) - 1.5000

Outer Dia (D) - 2.6250

Width (B) - 0.4375

Radius (min) (rs) - 0.039

Dynamic Load Rating (Cr) - 4,426

Static Load Rating (Cor) - 2,446

Ball Qty - 12

Ball Dia (Dw) - 0.3125

Weight (g) - 140.00

Precision - A1

Standard Clearance - C0

Material - 52100 Chrome steel (or equivalent)

Also available in Stainless Steel, add prefix "S"

ABEC Grades 1, 3, 5, 7, and 9 are available.

Цены указаны ознакомительные, для уточнения цены и наличия просим связаться с нами по телефону, или отправить заявку на почту - sales@specprompodshipnik.ru или по тел.: +7(499) 369-70-54

Возврат к списку