Подшипник R22-ZZ (CYSD)

Подшипник R22-ZZ (CYSD)

Технические характеристики

Обозначение : R22-ZZ

Размеры, мм : 34.925x63.5x14.288

Производитель : CYSD

Диаметр внутренний, мм : 34,925

Диаметр наружный, мм : 63,5

Высота, мм : 14,288

Технические данные из каталога производителя :

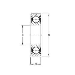
Внутренний диаметр (d) - 34,925 мм.

Наружный диаметр (D) - 63,5 мм.

Ширина (высота) (B) - 14,288 мм.

Ширина наружной обоймы (C) - 14,288 мм.

Размер (r min.) - 1 мм.

Масса - 0,1332 Кг

Грузоподъемность динамическая (C) - 16,21 кН

Грузоподъемность статическая (C0) - 10,42 кН

Количество дорожек качения - 1

Уплотнение - Есть

Цены указаны ознакомительные, для уточнения цены и наличия просим связаться с нами по телефону, или отправить заявку на почту - sales@specprompodshipnik.ru или по тел.: +7(499) 369-70-54

Возврат к списку