Подшипник R18 (AST)

Подшипник R18 (AST)

Технические характеристики

Обозначение : R18

Размеры, мм : 28.575x53.975x9.525

Производитель : AST

Диаметр внутренний, мм : 28,575

Диаметр наружный, мм : 53,975

Высота, мм : 9,525

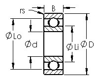
Технические данные из каталога производителя :

(размеры в дюймах)

Bearing Type - Open

Bore Dia (d) - 1.1250

Outer Dia (D) - 2.1250

Width (B) - 0.3750

Radius (min) (rs) - 0.031

Dynamic Load Rating (Cr) - 3,492

Static Load Rating (Cor) - 1,817

Ball Qty - 11

Ball Dia (Dw) - 0.2813

Weight (g) - 91.00

Precision - A1

Standard Clearance - C0

Material - 52100 Chrome steel (or equivalent)

Also available in Stainless Steel, add prefix "S"

ABEC Grades 1, 3, 5, 7, and 9 are available.

Цены указаны ознакомительные, для уточнения цены и наличия просим связаться с нами по телефону, или отправить заявку на почту - sales@specprompodshipnik.ru или по тел.: +7(499) 369-70-54

Возврат к списку