Подшипник R166ZZ (NTN)

Подшипник R166ZZ (NTN)

Технические характеристики

Обозначение : R166ZZ

Размеры, мм : 4.762x9.525x3.175

Производитель : NTN

Диаметр внутренний, мм : 4,762

Диаметр наружный, мм : 9,525

Высота, мм : 3,175

Технические данные из каталога производителя :

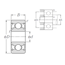
Внутренний диаметр (d) - 4,762 мм.

Наружный диаметр (D) - 9,525 мм.

Ширина (высота) (B) - 3,175 мм.

Ширина наружной обоймы (C) - 3,175 мм.

Размер (r min.) - 0,08 мм.

Размер сопряженных деталей (da min.) - 5,6

Размер сопряженных деталей (da max) - 5,9

Размер сопряженных деталей (Da max.) - 8,7

Размер сопряженных деталей (ra max.) - 0,08

Масса - 0,89 Кг

Грузоподъемность динамическая (C) - 0,71 кН

Грузоподъемность статическая (C0) - 0,268 кН

Частота вращения предельная при пластичной смазке - 46000 об/мин

Расчетный коэффициент (f0) - 13,3

Количество дорожек качения - 1

Уплотнение - Есть

Цены указаны ознакомительные, для уточнения цены и наличия просим связаться с нами по телефону, или отправить заявку на почту - sales@specprompodshipnik.ru или по тел.: +7(499) 369-70-54

Возврат к списку