Подшипник R-930 (NMB)

Подшипник R-930 (NMB)

Технические характеристики

Обозначение : R-930

Размеры, мм : 3x9x3

Производитель : NMB

Диаметр внутренний, мм : 3

Диаметр наружный, мм : 9

Высота, мм : 3

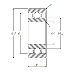
Технические данные из каталога производителя :

Внутренний диаметр (d) - 3 мм.

Наружный диаметр (D) - 9 мм.

Ширина (высота) (B) - 3 мм.

Ширина наружной обоймы (C) - 3 мм.

Размер (r min.) - 0,15 мм.

Размер (L) - 7,23

Размер (L1) - 4,8 мм.

Грузоподъемность динамическая (C) - 0,634 кН

Грузоподъемность статическая (C0) - 0,219 кН

Количество дорожек качения - 1

Уплотнение - Нет

Цены указаны ознакомительные, для уточнения цены и наличия просим связаться с нами по телефону, или отправить заявку на почту - sales@specprompodshipnik.ru или по тел.: +7(499) 369-70-54

Возврат к списку