Подшипник R-4SS (NMB)

Подшипник R-4SS (NMB)

Технические характеристики

Обозначение : R-4SS

Размеры, мм : 6.35x15.875x4.978

Производитель : NMB

Диаметр внутренний, мм : 6,35

Диаметр наружный, мм : 15,875

Высота, мм : 4,978

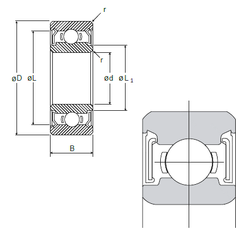
Технические данные из каталога производителя :

Внутренний диаметр (d) - 6,35 мм.

Наружный диаметр (D) - 15,875 мм.

Ширина (высота) (B) - 4,978 мм.

Ширина наружной обоймы (C) - 4,978 мм.

Размер (r min.) - 0,3 мм.

Размер (L) - 0,513

Размер (L1) - 0,323 мм.

Грузоподъемность динамическая (C) - 1,47 кН

Грузоподъемность статическая (C0) - 0,599 кН

Количество дорожек качения - 1

Уплотнение - Есть

Цены указаны ознакомительные, для уточнения цены и наличия просим связаться с нами по телефону, или отправить заявку на почту - sales@specprompodshipnik.ru или по тел.: +7(499) 369-70-54

Возврат к списку