Подшипник R-2 (NMB)

Подшипник R-2 (NMB)

Технические характеристики

Обозначение : R-2

Размеры, мм : 3.175x9.525x3.967

Производитель : NMB

Диаметр внутренний, мм : 3,175

Диаметр наружный, мм : 9,525

Высота, мм : 3,967

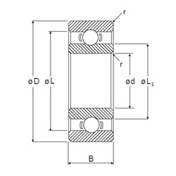
Технические данные из каталога производителя :

Внутренний диаметр (d) - 3,175 мм.

Наружный диаметр (D) - 9,525 мм.

Ширина (высота) (B) - 3,967 мм.

Ширина наружной обоймы (C) - 3,967 мм.

Размер (r min.) - 0,3 мм.

Размер (L) - 0,301

Размер (L1) - 0,2 мм.

Грузоподъемность динамическая (C) - 0,641 кН

Грузоподъемность статическая (C0) - 0,226 кН

Количество дорожек качения - 1

Уплотнение - Нет

Цены указаны ознакомительные, для уточнения цены и наличия просим связаться с нами по телефону, или отправить заявку на почту - sales@specprompodshipnik.ru или по тел.: +7(499) 369-70-54

Возврат к списку