Подшипник NA214-44 (KOYO)

Подшипник NA214-44 (KOYO)

Технические характеристики

Обозначение : NA214-44

Размеры, мм : 69.85x125x68.2

Производитель : KOYO

Диаметр внутренний, мм : 69,85

Диаметр наружный, мм : 125

Высота, мм : 68,2

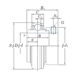
Технические данные из каталога производителя :

Внутренний диаметр (d) - 69,85 мм.

Наружный диаметр (D) - 125 мм.

Ширина (высота) (B) - 68,2 мм.

Ширина внутренней обоймы (B1) - 85,7 мм.

Ширина наружной обоймы (C) - 30 мм.

Размер (d1) - 97 мм.

Размер (r min.) - 1,5 мм.

Размер (C) - 9 мм.

Размер (S) - 34,1 мм.

Размер (S2) - 8,5

Резьба (G) - 3/8-24UNF

Масса - 2,94 Кг

Грузоподъемность динамическая (C) - 62,2 кН

Грузоподъемность статическая (C0) - 44,1 кН

Расчетный коэффициент (f0) - 14,5

Количество дорожек качения - 1

Уплотнение - Есть

Цены указаны ознакомительные, для уточнения цены и наличия просим связаться с нами по телефону, или отправить заявку на почту - sales@specprompodshipnik.ru или по тел.: +7(499) 369-70-54

Возврат к списку