Подшипник NA210 (KOYO)

Подшипник NA210 (KOYO)

Технические характеристики

Обозначение : NA210

Размеры, мм : 50x90x49.2

Производитель : KOYO

Диаметр внутренний, мм : 50

Диаметр наружный, мм : 90

Высота, мм : 49,2

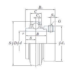
Технические данные из каталога производителя :

Внутренний диаметр (d) - 50 мм.

Наружный диаметр (D) - 90 мм.

Ширина (высота) (B) - 49,2 мм.

Ширина внутренней обоймы (B1) - 62,7 мм.

Ширина наружной обоймы (C) - 24 мм.

Размер (d1) - 69,9 мм.

Размер (r min.) - 1,1 мм.

Размер (C) - 6 мм.

Размер (S) - 24,6 мм.

Размер (S2) - 6,8

Резьба (G) - M8×1

Масса - 1,01 Кг

Грузоподъемность динамическая (C) - 35,1 кН

Грузоподъемность статическая (C0) - 23,3 кН

Расчетный коэффициент (f0) - 14,4

Количество дорожек качения - 1

Уплотнение - Есть

Цены указаны ознакомительные, для уточнения цены и наличия просим связаться с нами по телефону, или отправить заявку на почту - sales@specprompodshipnik.ru или по тел.: +7(499) 369-70-54

Возврат к списку