Подшипник N107KLL (Timken)

Подшипник N107KLL (Timken)

Технические характеристики

Обозначение : N107KLL

Размеры, мм : 36.5125x80x38.1

Производитель : Timken

Диаметр внутренний, мм : 36,5125

Диаметр наружный, мм : 80

Высота, мм : 38,1

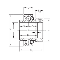
Технические данные из каталога производителя :

Внутренний диаметр (d) - 36,5125 мм.

Наружный диаметр (D) - 80 мм.

Ширина (высота) (B) - 38,1 мм.

Ширина наружной обоймы (C) - 21 мм.

Размер (d1) - 55,6 мм.

Размер (B1) - 51,59 мм.

Размер (B2) - 17,46 мм.

Размер (G) - 19,84 мм.

Размер (L) - 3,9

Размер (S) - 18,3 мм.

Масса - 0,731 Кг

Грузоподъемность динамическая (C) - 40,5 кН

Грузоподъемность статическая (C0) - 21,2 кН

Количество дорожек качения - 1

Уплотнение - Есть

Цены указаны ознакомительные, для уточнения цены и наличия просим связаться с нами по телефону, или отправить заявку на почту - sales@specprompodshipnik.ru или по тел.: +7(499) 369-70-54

Возврат к списку