Подшипник MUC209 (NACHI)

Подшипник MUC209 (NACHI)

Технические характеристики

Обозначение : MUC209

Размеры, мм : 45x85x49.2

Производитель : NACHI

Диаметр внутренний, мм : 45

Диаметр наружный, мм : 85

Высота, мм : 49.2

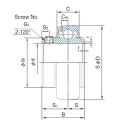
Технические данные из каталога производителя :

Внутренний диаметр (d) - 45 мм.

Наружный диаметр (D) - 85 мм.

Ширина (высота) (B) - 49.2 мм.

Ширина наружной обоймы (C) - 22 мм.

Размер (S1) - 30.2

Размер (Ca) - 6.5

Размер (d1) - 57.3 мм.

Размер (r) - 2 мм.

Размер (S) - 19 мм.

Размер (S2) - 8

Резьба (G) - M8×1

Масса - 0.67 Кг

Грузоподъемность динамическая (C) - 28,1 кН

Грузоподъемность статическая (C0) - 16,4 кН

Количество дорожек качения - 1

Уплотнение - Есть

Цены указаны ознакомительные, для уточнения цены и наличия просим связаться с нами по телефону, или отправить заявку на почту - sales@specprompodshipnik.ru или по тел.: +7(499) 369-70-54

Возврат к списку