Подшипник MU006+ER (NACHI)

Подшипник MU006+ER (NACHI)

Технические характеристики

Обозначение : MU006+ER

Размеры, мм : 30x55x18.5

Производитель : NACHI

Диаметр внутренний, мм : 30

Диаметр наружный, мм : 55

Высота, мм : 18,5

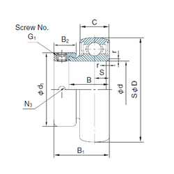
Технические данные из каталога производителя :

Внутренний диаметр (d) - 30 мм.

Наружный диаметр (D) - 55 мм.

Ширина (высота) (B) - 18,5 мм.

Ширина наружной обоймы (C) - 13 мм.

Размер (N3) - 5

Размер (d1) - 42 мм.

Размер (r) - 1,5 мм.

Размер (B1) - 26,5 мм.

Размер (B2) - 12 мм.

Размер (S) - 6,5 мм.

Резьба (G) - M5×0,8

Масса - 186 Кг

Грузоподъемность динамическая (C) - 11,3 кН

Грузоподъемность статическая (C0) - 6,6 кН

Количество дорожек качения - 1

Уплотнение - Есть

Цены указаны ознакомительные, для уточнения цены и наличия просим связаться с нами по телефону, или отправить заявку на почту - sales@specprompodshipnik.ru или по тел.: +7(499) 369-70-54

Возврат к списку