Подшипник NUP315 (KOYO)

Подшипники шариковые радиальные сферические
Подшипник NUP315 (KOYO)

Технические характеристики

Обозначение : NUP315

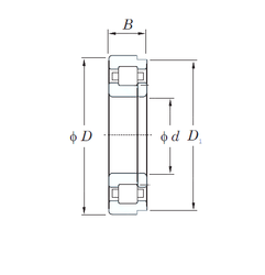
Размеры, мм : 75x160x37

Производитель : KOYO

Диаметр внутренний, мм : 75

Диаметр наружный, мм : 160

Высота, мм : 37

Технические данные из каталога производителя :

Внутренний диаметр (d) - 75 мм.

Внутренний диаметр (Fw) - 95.5 мм.

Наружный диаметр (D) - 160 мм.

Ширина (высота) (B) - 37 мм.

Ширина наружной обоймы (C) - 37 мм.

Размер (r min.) - 2.1 мм.

Размер (r1 min.) - 2.1 мм.

Масса - 3.24 Кг

Грузоподъемность динамическая (C) - 194 кН

Грузоподъемность статическая (C0) - 205 кН

Частота вращения предельная при пластичной смазке - 3800 об/мин

Частота вращения предельная при жидкой смазке - 5000 об/мин

Количество дорожек качения - 1

Уплотнение - Нет

Цены указаны ознакомительные, для уточнения цены и наличия просим связаться с нами по телефону, или отправить заявку на почту - sales@specprompodshipnik.ru или по тел.: +7(499) 369-70-54

Возврат к списку