Подшипник NUP2203-E-TVP3 (NKE)

Подшипники шариковые радиальные сферические
Подшипник NUP2203-E-TVP3 (NKE)

Технические характеристики

Обозначение : NUP2203-E-TVP3

Размеры, мм : 17x40x16

Производитель : NKE

Диаметр внутренний, мм : 17

Диаметр наружный, мм : 40

Высота, мм : 16

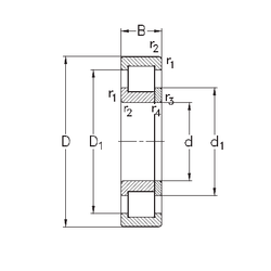
Технические данные из каталога производителя :

Внутренний диаметр (d) - 17 мм.

Внутренний диаметр (F) - 22,1 мм.

Наружный диаметр (D) - 40 мм.

Ширина (высота) (B) - 16 мм.

Ширина наружной обоймы (C) - 16 мм.

Размер (r1 min.) - 0,6 мм.

Размер (r2 min.) - 0,6 мм.

Размер (r3 min.) - 0,3 мм.

Размер (r4 min.) - 0,3 мм.

Масса - 0,091 Кг

Грузоподъемность динамическая (C) - 23,6 кН

Грузоподъемность статическая (C0) - 22 кН

Частота вращения предельная - 22000 об/мин

Количество дорожек качения - 1

Уплотнение - Нет

Цены указаны ознакомительные, для уточнения цены и наличия просим связаться с нами по телефону, или отправить заявку на почту - sales@specprompodshipnik.ru или по тел.: +7(499) 369-70-54

Возврат к списку