Подшипник NJ307-E-TVP3+HJ307-E (NKE)

Подшипники шариковые радиальные сферические
Подшипник NJ307-E-TVP3+HJ307-E (NKE)

Технические характеристики

Обозначение : NJ307-E-TVP3+HJ307-E

Размеры, мм : 35x80x21

Производитель : NKE

Диаметр внутренний, мм : 35

Диаметр наружный, мм : 80

Высота, мм : 21

Технические данные из каталога производителя :

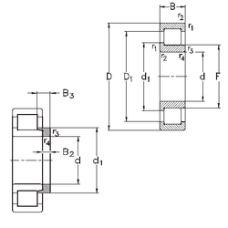
Внутренний диаметр (d) - 35 мм.

Внутренний диаметр (F) - 46,2 мм.

Наружный диаметр (D) - 80 мм.

Ширина (высота) (B) - 21 мм.

Ширина наружной обоймы (C) - 21 мм.

Размер (d1) - 51,2 мм.

Размер (r1 min.) - 1,5 мм.

Размер (r2 min.) - 1,5 мм.

Размер (r3 min.) - 1,1 мм.

Размер (r4 min.) - 1,1 мм.

Размер (B2) - 6 мм.

Размер (B3) - 9,5 мм.

Размер (D1) - 65,7 мм.

Допустимое осевое смещение (S) - 1

Масса - 0,547 Кг

Грузоподъемность динамическая (C) - 74 кН

Грузоподъемность статическая (C0) - 65 кН

Частота вращения предельная - 11000 об/мин

Количество дорожек качения - 1

Уплотнение - Нет

Цены указаны ознакомительные, для уточнения цены и наличия просим связаться с нами по телефону, или отправить заявку на почту - sales@specprompodshipnik.ru или по тел.: +7(499) 369-70-54

Возврат к списку