Подшипник NJ 407 (NACHI)

Подшипники шариковые радиальные сферические
Подшипник NJ 407 (NACHI)

Технические характеристики

Обозначение : NJ 407

Размеры, мм : 35x100x25

Производитель : NACHI

Диаметр внутренний, мм : 35

Диаметр наружный, мм : 100

Высота, мм : 25

Технические данные из каталога производителя :

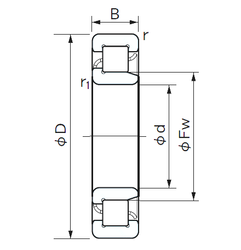
Внутренний диаметр (d) - 35 мм.

Внутренний диаметр (Fw) - 53 мм.

Наружный диаметр (D) - 100 мм.

Ширина (высота) (B) - 25 мм.

Размер (r min.) - 1.5 мм.

Размер (r1 min.) - 1.5 мм.

Масса - 1.05 Кг

Грузоподъемность динамическая (C) - 75 кН

Грузоподъемность статическая (C0) - 69 кН

Частота вращения предельная при пластичной смазке - 6700 об/мин

Частота вращения предельная при жидкой смазке - 8000 об/мин

Количество дорожек качения - 1

Уплотнение - Нет

Цены указаны ознакомительные, для уточнения цены и наличия просим связаться с нами по телефону, или отправить заявку на почту - sales@specprompodshipnik.ru или по тел.: +7(499) 369-70-54

Возврат к списку