Подшипник ZY-2115 (NSK)

Подшипники роликовые радиальные сферические
Подшипник ZY-2115 (NSK)

Технические характеристики

Обозначение : ZY-2115

Размеры, мм : 21.3x29x15.8

Производитель : NSK

Диаметр внутренний, мм : 21,3

Диаметр наружный, мм : 29

Высота, мм : 15,8

Технические данные из каталога производителя :

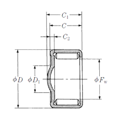
Внутренний диаметр (Fw) - 21,3 мм.

Наружный диаметр (D) - 29 мм.

Ширина наружной обоймы (C) - 15,8 мм.

Размер (C1) - 15,8 мм.

Размер (D1) - 10,68 мм.

Размер (C2) - 3

Масса - 0,037 Кг

Грузоподъемность динамическая (C) - 17,9 кН

Грузоподъемность статическая (C0) - 14 кН

Количество дорожек качения - 1

Уплотнение - Нет

Цены указаны ознакомительные, для уточнения цены и наличия просим связаться с нами по телефону, или отправить заявку на почту - sales@specprompodshipnik.ru или по тел.: +7(499) 369-70-54

Возврат к списку