Подшипник ZY-1612 (NSK)

Подшипники роликовые радиальные сферические
Подшипник ZY-1612 (NSK)

Технические характеристики

Обозначение : ZY-1612

Размеры, мм : 16x22x12.97

Производитель : NSK

Диаметр внутренний, мм : 16

Диаметр наружный, мм : 22

Высота, мм : 12,97

Технические данные из каталога производителя :

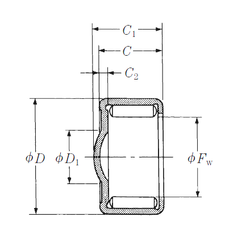
Внутренний диаметр (Fw) - 16 мм.

Наружный диаметр (D) - 22 мм.

Ширина наружной обоймы (C) - 12,97 мм.

Размер (C1) - 13,35 мм.

Размер (D1) - 8 мм.

Размер (C2) - 2,37

Масса - 0,014 Кг

Грузоподъемность динамическая (C) - 11,9 кН

Грузоподъемность статическая (C0) - 8,85 кН

Количество дорожек качения - 1

Уплотнение - Нет

Цены указаны ознакомительные, для уточнения цены и наличия просим связаться с нами по телефону, или отправить заявку на почту - sales@specprompodshipnik.ru или по тел.: +7(499) 369-70-54

Возврат к списку