Подшипник WS22312-E1-2RSR (FAG)

Подшипники роликовые радиальные сферические
Подшипник WS22312-E1-2RSR (FAG)

Технические характеристики

Обозначение : WS22312-E1-2RSR

Размеры, мм : 60x130x53

Производитель : FAG

Диаметр внутренний, мм : 60

Диаметр наружный, мм : 130

Высота, мм : 53

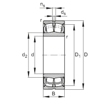
Технические данные из каталога производителя :

d - 60 mm

D - 130 mm

B - 53 mm

D1 - 110,2 mm

Da max - 118 mm

d2 - 71,4 mm

da min - 71,4 mm

ds - 3,2 mm

ns - 6,5 mm

ra max - 2,1 mm

rmin - 2,1 mm

m - 3,4 kg / Вес

Cr - 310000 N / динамическая грузоподъемность, радиальная

e - 0,35

Y1 - 1,91

Y2 - 2,85

C0r - 310000 N / статическая грузоподъемность, радиальная

Y0 - 1,87

nG - 1350 1/min / Предельная частота вращения

Cur - 28000 N

контактные уплотнения с двух сторон, для машин непрерывной разливки стали

Цены указаны ознакомительные, для уточнения цены и наличия просим связаться с нами по телефону, или отправить заявку на почту - sales@specprompodshipnik.ru или по тел.: +7(499) 369-70-54

Возврат к списку