Подшипник WS22308-E1-2RSR (FAG)

Подшипники роликовые радиальные сферические
Подшипник WS22308-E1-2RSR (FAG)

Технические характеристики

Обозначение : WS22308-E1-2RSR

Размеры, мм : 40x90x38

Производитель : FAG

Диаметр внутренний, мм : 40

Диаметр наружный, мм : 90

Высота, мм : 38

Технические данные из каталога производителя :

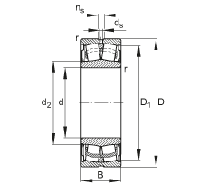
d - 40 mm

D - 90 mm

B - 38 mm

D1 - 78,1 mm

Da max - 81 mm

d2 - 48,9 mm

da min - 48,9 mm

ds - 3,2 mm

ns - 6,5 mm

ra max - 1,5 mm

rmin - 1,5 mm

m - 1,16 kg / Вес

Cr - 156000 N / динамическая грузоподъемность, радиальная

e - 0,36

Y1 - 1,86

Y2 - 2,77

C0r - 149000 N / статическая грузоподъемность, радиальная

Y0 - 1,82

nG - 190 1/min / Предельная частота вращения

Cur - 13100 N

контактные уплотнения с двух сторон, для машин непрерывной разливки стали

Цены указаны ознакомительные, для уточнения цены и наличия просим связаться с нами по телефону, или отправить заявку на почту - sales@specprompodshipnik.ru или по тел.: +7(499) 369-70-54

Возврат к списку