Подшипник WS22222-E1-2RSR (FAG)

Подшипники роликовые радиальные сферические
Подшипник WS22222-E1-2RSR (FAG)

Технические характеристики

Обозначение : WS22222-E1-2RSR

Размеры, мм : 110x200x63

Производитель : FAG

Диаметр внутренний, мм : 110

Диаметр наружный, мм : 200

Высота, мм : 63

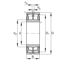
Технические данные из каталога производителя :

d - 110 mm

D - 200 mm

B - 63 mm

D1 - 182,6 mm

Da max - 188 mm

d2 - 124,9 mm

da min - 122 mm

ds - 4,8 mm

ns - 9,5 mm

ra max - 2,1 mm

rmin - 2,1 mm

m - 9 kg / Вес

Cr - 550000 N / динамическая грузоподъемность, радиальная

e - 0,25

Y1 - 2,71

Y2 - 4,04

C0r - 600000 N / статическая грузоподъемность, радиальная

Y0 - 2,65

nG - 1030 1/min / Предельная частота вращения

Cur - 62000 N

контактные уплотнения с двух сторон, для машин непрерывной разливки стали

Цены указаны ознакомительные, для уточнения цены и наличия просим связаться с нами по телефону, или отправить заявку на почту - sales@specprompodshipnik.ru или по тел.: +7(499) 369-70-54

Возврат к списку