Подшипник WS22209-E1-2RSR (FAG)

Подшипники роликовые радиальные сферические
Подшипник WS22209-E1-2RSR (FAG)

Технические характеристики

Обозначение : WS22209-E1-2RSR

Размеры, мм : 10x28x7

Производитель : FAG

Диаметр внутренний, мм : 10

Диаметр наружный, мм : 28

Высота, мм : 7

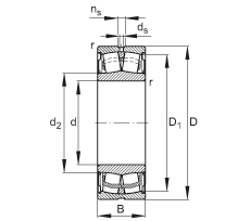
Технические данные из каталога производителя :

Внутренний диаметр (d) - 10 мм.

Наружный диаметр (D) - 28 мм.

Ширина (высота) (B) - 7 мм.

Ширина наружной обоймы (C) - 4 мм.

Размер (r1 min.) - 0,1 мм.

Размер (r2 min.) - 0,3 мм.

Масса - 0,0200 Кг

Грузоподъемность динамическая (C) - 0,200 кН

Грузоподъемность статическая (C0) - 0,108 кН

Количество дорожек качения - 1

Уплотнение - Нет

Цены указаны ознакомительные, для уточнения цены и наличия просим связаться с нами по телефону, или отправить заявку на почту - sales@specprompodshipnik.ru или по тел.: +7(499) 369-70-54

Возврат к списку