Подшипник WK22X29X15,6BE (Timken)

Подшипники роликовые радиальные сферические
Подшипник WK22X29X15,6BE (Timken)

Технические характеристики

Обозначение : WK22X29X15,6BE

Производитель : Timken

Диаметр внутренний, мм : 22

Диаметр наружный, мм : 29

Технические данные из каталога производителя :

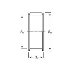
Внутренний диаметр (Fw) - 22 мм.

Наружный диаметр (Ew) - 29 мм.

Ширина внутренней обоймы (Bc) - 15,6 мм.

Масса - 0,021 Кг

Грузоподъемность динамическая (C) - 18,5 кН

Грузоподъемность статическая (C0) - 22,3 кН

Количество дорожек качения - 1

Уплотнение - Нет

Цены указаны ознакомительные, для уточнения цены и наличия просим связаться с нами по телефону, или отправить заявку на почту - sales@specprompodshipnik.ru или по тел.: +7(499) 369-70-54

Возврат к списку