Подшипник WK14X20X12BE (Timken)

Подшипники роликовые радиальные сферические
Подшипник WK14X20X12BE (Timken)

Технические характеристики

Обозначение : WK14X20X12BE

Производитель : Timken

Диаметр внутренний, мм : 14

Диаметр наружный, мм : 20

Технические данные из каталога производителя :

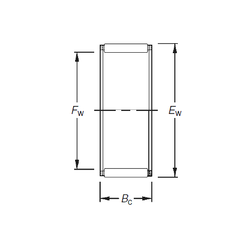
Внутренний диаметр (Fw) - 14 мм.

Наружный диаметр (Ew) - 20 мм.

Ширина внутренней обоймы (Bc) - 12 мм.

Масса - 0,009 Кг

Грузоподъемность динамическая (C) - 10,5 кН

Грузоподъемность статическая (C0) - 10,6 кН

Количество дорожек качения - 1

Уплотнение - Нет

Цены указаны ознакомительные, для уточнения цены и наличия просим связаться с нами по телефону, или отправить заявку на почту - sales@specprompodshipnik.ru или по тел.: +7(499) 369-70-54

Возврат к списку