Подшипник WK14X18X10BE (Timken)

Подшипники роликовые радиальные сферические
Подшипник WK14X18X10BE (Timken)

Технические характеристики

Обозначение : WK14X18X10BE

Производитель : Timken

Диаметр внутренний, мм : 14

Диаметр наружный, мм : 18

Технические данные из каталога производителя :

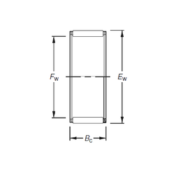
Внутренний диаметр (Fw) - 14 мм.

Наружный диаметр (Ew) - 18 мм.

Ширина внутренней обоймы (Bc) - 10 мм.

Масса - 0,005 Кг

Грузоподъемность динамическая (C) - 6,89 кН

Грузоподъемность статическая (C0) - 7,98 кН

Количество дорожек качения - 1

Уплотнение - Нет

Цены указаны ознакомительные, для уточнения цены и наличия просим связаться с нами по телефону, или отправить заявку на почту - sales@specprompodshipnik.ru или по тел.: +7(499) 369-70-54

Возврат к списку