Подшипник WJP-263627 (NSK)

Подшипники роликовые радиальные сферические
Подшипник WJP-263627 (NSK)

Технические характеристики

Обозначение : WJP-263627

Производитель : NSK

Диаметр внутренний, мм : 41,275

Диаметр наружный, мм : 57,15

Технические данные из каталога производителя :

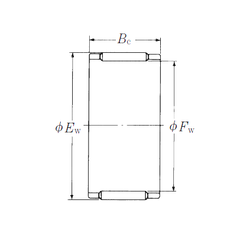
Внутренний диаметр (Fw) - 41,275 мм.

Наружный диаметр (Ew) - 57,15 мм.

Ширина внутренней обоймы (Bc) - 42,86 мм.

Масса - 0,205 Кг

Грузоподъемность динамическая (C) - 96,5 кН

Грузоподъемность статическая (C0) - 130 кН

Частота вращения предельная при жидкой смазке - 11000 об/мин

Количество дорожек качения - 1

Уплотнение - Нет

Цены указаны ознакомительные, для уточнения цены и наличия просим связаться с нами по телефону, или отправить заявку на почту - sales@specprompodshipnik.ru или по тел.: +7(499) 369-70-54

Возврат к списку