Подшипник WJC-091108 (Timken)

Подшипники роликовые радиальные сферические
Подшипник WJC-091108 (Timken)

Технические характеристики

Обозначение : WJC-091108

Производитель : Timken

Диаметр внутренний, мм : 14,288

Диаметр наружный, мм : 17,463

Технические данные из каталога производителя :

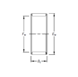
Внутренний диаметр (Fw) - 14,288 мм.

Наружный диаметр (Ew) - 17,463 мм.

Ширина внутренней обоймы (Bc) - 12,7 мм.

Масса - 0,006 Кг

Грузоподъемность динамическая (C) - 6,81 кН

Грузоподъемность статическая (C0) - 9,25 кН

Частота вращения предельная при пластичной смазке - 22000 об/мин

Частота вращения предельная при жидкой смазке - 34000 об/мин

Количество дорожек качения - 1

Уплотнение - Нет

Цены указаны ознакомительные, для уточнения цены и наличия просим связаться с нами по телефону, или отправить заявку на почту - sales@specprompodshipnik.ru или по тел.: +7(499) 369-70-54

Возврат к списку