Подшипник WJC-081010 (NSK)

Подшипники роликовые радиальные сферические
Подшипник WJC-081010 (NSK)

Технические характеристики

Обозначение : WJC-081010

Производитель : NSK

Диаметр внутренний, мм : 12,7

Диаметр наружный, мм : 15,875

Технические данные из каталога производителя :

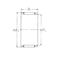
Внутренний диаметр (Fw) - 12,7 мм.

Наружный диаметр (Ew) - 15,875 мм.

Ширина внутренней обоймы (Bc) - 15,88 мм.

Масса - 0,006 Кг

Грузоподъемность динамическая (C) - 8 кН

Грузоподъемность статическая (C0) - 10,9 кН

Частота вращения предельная при жидкой смазке - 34000 об/мин

Количество дорожек качения - 1

Уплотнение - Нет

Цены указаны ознакомительные, для уточнения цены и наличия просим связаться с нами по телефону, или отправить заявку на почту - sales@specprompodshipnik.ru или по тел.: +7(499) 369-70-54

Возврат к списку