Подшипник WJC-060806 (Timken)

Подшипники роликовые радиальные сферические
Подшипник WJC-060806 (Timken)

Технические характеристики

Обозначение : WJC-060806

Производитель : Timken

Диаметр внутренний, мм : 9,525

Диаметр наружный, мм : 12,7

Технические данные из каталога производителя :

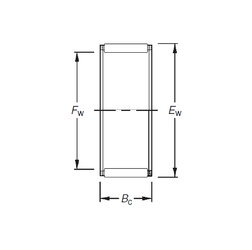
Внутренний диаметр (Fw) - 9,525 мм.

Наружный диаметр (Ew) - 12,7 мм.

Ширина внутренней обоймы (Bc) - 9,53 мм.

Масса - 0,003 Кг

Грузоподъемность динамическая (C) - 3,87 кН

Грузоподъемность статическая (C0) - 4 кН

Частота вращения предельная при пластичной смазке - 24000 об/мин

Частота вращения предельная при жидкой смазке - 37000 об/мин

Количество дорожек качения - 1

Уплотнение - Нет

Цены указаны ознакомительные, для уточнения цены и наличия просим связаться с нами по телефону, или отправить заявку на почту - sales@specprompodshipnik.ru или по тел.: +7(499) 369-70-54

Возврат к списку