Подшипник WJ-566424 (Timken)

Подшипники роликовые радиальные сферические
Подшипник WJ-566424 (Timken)

Технические характеристики

Обозначение : WJ-566424

Производитель : Timken

Диаметр внутренний, мм : 88,9

Диаметр наружный, мм : 101,6

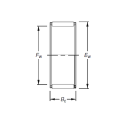
Технические данные из каталога производителя :

Внутренний диаметр (Fw) - 88,9 мм.

Наружный диаметр (Ew) - 101,6 мм.

Ширина внутренней обоймы (Bc) - 38,1 мм.

Масса - 0,296 Кг

Грузоподъемность динамическая (C) - 113 кН

Грузоподъемность статическая (C0) - 237,53 кН

Частота вращения предельная при пластичной смазке - 3100 об/мин

Частота вращения предельная при жидкой смазке - 4800 об/мин

Количество дорожек качения - 1

Уплотнение - Нет

Цены указаны ознакомительные, для уточнения цены и наличия просим связаться с нами по телефону, или отправить заявку на почту - sales@specprompodshipnik.ru или по тел.: +7(499) 369-70-54

Возврат к списку