Подшипник WJ-525816 (NSK)

Подшипники роликовые радиальные сферические
Подшипник WJ-525816 (NSK)

Технические характеристики

Обозначение : WJ-525816

Производитель : NSK

Диаметр внутренний, мм : 82,55

Диаметр наружный, мм : 92,075

Технические данные из каталога производителя :

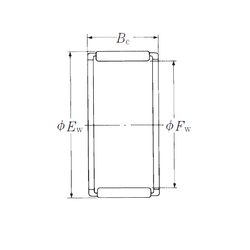
Внутренний диаметр (Fw) - 82,55 мм.

Наружный диаметр (Ew) - 92,075 мм.

Ширина внутренней обоймы (Bc) - 25,4 мм.

Масса - 0,145 Кг

Грузоподъемность динамическая (C) - 61 кН

Грузоподъемность статическая (C0) - 126 кН

Частота вращения предельная при жидкой смазке - 5000 об/мин

Количество дорожек качения - 1

Уплотнение - Нет

Цены указаны ознакомительные, для уточнения цены и наличия просим связаться с нами по телефону, или отправить заявку на почту - sales@specprompodshipnik.ru или по тел.: +7(499) 369-70-54

Возврат к списку