Подшипник WJ-404624 (Timken)

Подшипники роликовые радиальные сферические
Подшипник WJ-404624 (Timken)

Технические характеристики

Обозначение : WJ-404624

Производитель : Timken

Диаметр внутренний, мм : 63,5

Диаметр наружный, мм : 73,025

Технические данные из каталога производителя :

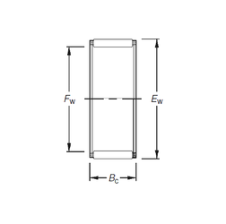
Внутренний диаметр (Fw) - 63,5 мм.

Наружный диаметр (Ew) - 73,025 мм.

Ширина внутренней обоймы (Bc) - 38,1 мм.

Масса - 0,179 Кг

Грузоподъемность динамическая (C) - 83,2 кН

Грузоподъемность статическая (C0) - 173 кН

Частота вращения предельная при пластичной смазке - 4400 об/мин

Частота вращения предельная при жидкой смазке - 6700 об/мин

Количество дорожек качения - 1

Уплотнение - Нет

Цены указаны ознакомительные, для уточнения цены и наличия просим связаться с нами по телефону, или отправить заявку на почту - sales@specprompodshipnik.ru или по тел.: +7(499) 369-70-54

Возврат к списку