Подшипник WJ-384424 (NSK)

Подшипники роликовые радиальные сферические
Подшипник WJ-384424 (NSK)

Технические характеристики

Обозначение : WJ-384424

Производитель : NSK

Диаметр внутренний, мм : 60,325

Диаметр наружный, мм : 69,85

Технические данные из каталога производителя :

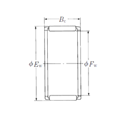
Внутренний диаметр (Fw) - 60,325 мм.

Наружный диаметр (Ew) - 69,85 мм.

Ширина внутренней обоймы (Bc) - 38,1 мм.

Масса - 0,185 Кг

Грузоподъемность динамическая (C) - 81 кН

Грузоподъемность статическая (C0) - 165 кН

Частота вращения предельная при жидкой смазке - 7100 об/мин

Количество дорожек качения - 1

Уплотнение - Нет

Цены указаны ознакомительные, для уточнения цены и наличия просим связаться с нами по телефону, или отправить заявку на почту - sales@specprompodshipnik.ru или по тел.: +7(499) 369-70-54

Возврат к списку